- 天燃氣球閥
- Q347F蝸輪固定球閥
- 液壓三通高壓球閥BK3
- 金屬硬密封球閥
- 高壓三段式法蘭球閥
- 高壓對焊球閥
- Q341N-320C高壓鍛鋼球閥
- 三鍛式高壓焊接球閥
- 金屬硬密封球閥
- V型球閥
- 浮動法蘭球閥
- 襯氟球閥
- BQ41F型夾套保溫球閥
- DQ41F低溫球閥
- 法蘭連接三通球閥
- 填料整體式法蘭廣式球閥
- Q647F氣動固定球閥
- 氣動絲口球閥
- 氣動噴煤粉球閥
- 電動O形切斷球閥
- 上裝式電動球閥
- 電動法蘭球閥
- 不銹鋼三片式法蘭球閥
- 意大利式超短型球閥
- 三片式內螺紋球閥
- Q21F廣式球閥
- 三片式對焊球閥
- 三通絲口球閥
- 氣源球閥
- 高壓鍛打小型球閥
- YJZQ高壓液壓球閥
- 二片式內螺紋球閥
- Q41H/W鍛鋼三片式硬密封球閥
- V型球閥
- Q641F氣動球閥
- 氣動對夾球閥
- 氣動法蘭三通球閥
- 氣動內螺紋三通球閥
- 氣動固定球閥
- Q647Y氣動金屬硬密封球閥
- ZSHO氣動O型切斷球閥
- 氣動信號球閥
- 氣動三片式球閥
- 電動襯氟O型球閥
- 電動固定式球閥
- 不銹鋼電動四通換向球閥
- 電動法蘭球閥
- 電動塑料球閥
- Q947F固定式電動球閥
- 電動四通球閥
- 二片式高平臺球閥
- 一片式螺紋球閥
- Q47F型API鑄鋼固定球閥
- Q47F型國標鑄鋼固定球閥
- Q47F型鍛鋼固定球閥
- Q47H/Y型硬密封固定球閥
- SQ47PPL型卸灰固定球閥
- PQ3/940H/Y型偏心半球閥
- PQ3/940H/F型上裝式偏心半球閥
- Q44/45F型三通四密封球閥
- Q46F型四通四密封球閥
- Q41F型API、JIS浮動球閥
- Q41F型國標浮動球閥
- 雙向硬碰硬旋球閥
咨詢電話:13020156119
圖文傳真:13020156119
E-mail:[email protected]
地址:上海市奉賢區(qū)楊王工業(yè)區(qū)宏楊路158號
二片式高平臺球閥
二片式高平臺球閥產品介紹
二片式高平臺球閥用于截斷或接通管路中的介質,適用于PN1.0~6.4MPa,工作溫度-29~180℃(密封圈為增強聚四氟乙烯)或-29~300℃(密封圈為對位聚苯)的各種管路上,選用不同的材質,可分別適用于水、蒸汽、油品、硝酸、醋酸等多種介質
高平臺球閥產品標準
平臺標準:ISO-5211
啟閉力N:DN50:500-600
可選配裝置: 電動執(zhí)行器, 氣動執(zhí)行器, 手柄
產品設計標準: GB/T12237, ASME16.34, API608
管螺紋標準: GB/T7306, GB/T7307, ISO7-1, ISO288-1, ASMEB1.20.1, BS21, DIN2999/599, BSP
檢驗標準: JB/T9092,API598, EN12266
工作壓力: 1000WOG/PSI
溫度范圍: -46°C ~ 200°C (-50°F~350°F)
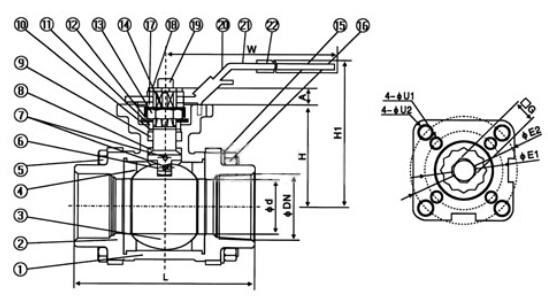
Q11F二片式高平臺球閥結構圖
Q11F高平臺球閥主要部件材料
|
適用介質 |
型號 |
閥體 |
球體、閥桿 |
手柄 |
密封 |
墊片、填料 |
|
水 蒸汽、油品 |
Q11F-16C Q11F-25C Q11F-40C Q11F-64C |
A105/45 |
1Cr18Ni9Ti/1Cr18 |
SS304 |
PTFE/PPL |
PTFE/PPL |
|
硝酸類 |
Q11F-16P Q11F-25P Q11F-40P Q11F-64P |
SS304/1Cr18Ni9Ti |
SS304/1Cr18Ni9Ti |
|||
|
醋酸類 |
Q11F-16R Q11F-25R Q11F-40R Q11F-64R |
SS316/Cr18Ni12Mo2Ti |
SS316/Cr18Ni12Mo2Ti |
主要外形及連接尺寸
|
公稱通徑 |
尺寸in |
尺寸 |
|
|
|
|
|
|
d |
L |
W |
H |
E |
D |
||
|
DN6 |
1/4" |
8 |
60 |
110 |
56 |
11.5 |
30 |
|
DN10 |
3/8" |
10.5 |
60 |
110 |
58 |
11.5 |
31 |
|
DN15 |
1/2" |
13 |
60 |
110 |
58 |
14 |
32 |
|
DN20 |
3/4 |
17 |
67.5 |
110 |
62 |
15 |
38 |
|
DN25 |
1" |
18 |
73 |
110 |
68 |
15 |
45 |
|
DN32 |
1 1/4" |
22 |
90 |
150 |
75 |
18 |
53.4 |
|
DN40 |
1 1/2" |
25 |
97.5 |
150 |
83 |
19 |
63 |
|
DN50 |
2" |
32 |
112 |
150 |
90 |
19 |
73 |
|
DN65 |
2 1/2" |
40 |
132 |
180 |
95 |
21 |
92 |
|
DN80 |
3" |
50 |
156 |
220 |
100 |
27 |
109 |
|
DN100 |
4" |
65 |
196 |
250 |
115 |
29 |
138 |
